Car Turning Radius Calculator

Car Turning Radius Calculator

Car Turning Radius Calculator. For 16:1, n = 16) r = radius of curva. Now, divide the wheelbase of the truck by your sin figure; The outer turning circle, or its radius, is the main subject of interest.

Greetings to this webpage! It is extremely pleased to you have chosen today to visit our webpage today. Our site has been committed in providing offering you with complete comprehensive facts and resources about an wide variety of ride right areas of interest.

The experts of our team is determined to providing all of you the most accurate and up to date facts, ensuring you are able to have confidence that what you find you discover here is trustworthy and credible. Recognizing that getting correct facts online may be difficult, this is why our team has made it our objective to giving you with clear facts that is appropriate and valuable.

Regardless if you are trying to learn a new subject, get motivated, or just stay updated, we have something for everybody. So, please browse on our site as well as.

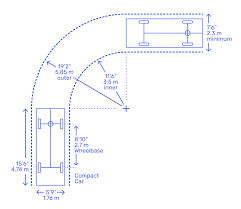
Vehicle Turning Paths Dimensions Drawings Dimensionscom
Vehicle Turning Paths Dimensions Drawings Dimensionscom from www.dimensions.com

Truck turning radius calculator | autocad space. For the example, the result is a turning radius of 305.25 inches, or about 25.43 feet. Alternatively, it is also possible to calculate turning radius based on the wheelbase and other suspension geometry parameters.

What Is Car Turning Radius Calculator

vehicle turning paths dimensions drawings dimensionscom on car turning radius calculator

When you want to searching for car turning radius calculator pictures guidance linked to your interest, you have to pay a visit to the right website. Our site frequently gives you hints for refferencing the highest quality video and picture content, please kindly hunt, and locate more informative video content and images that fit your interests.

In this article, we'll lid all you want regarding car turning radius calculator. Starting from opinion roughly car turning radius calculator and various example of pict about it. At the stop of this article, we wish that you will have sufficient guidance around car turning radius calculator so that you can adopt it as a basis for making current and forward-looking decisions.

Car turning radius calculator. My profile my preferences my mates. Introduction this article describes the calculation of the turning radius of a car or bicycle. The turning radius, or turning path, of a vehicle is the smallest circular turn that it can make.measuring the diameters, and commonly the radii, of the inner and outer circular geometries that a vehicle is capable of turning within, the turning paths of various vehicles are calculated as standards used when designing roads, parking layouts. S = wheel base a = steering wheel angle n = steering ratio (e.g.

Hence, the radius of the circle traced by these wheels will give the turning radius of the vehicle. Higher radius = more stable, lower radius = more responsive, check out the blog write up for more details and the math that this is. For 16:1, n = 16) r = radius of curva. The turning radius, or turning path, of a vehicle is the smallest circular turn that it can make.measuring the diameters, and commonly the radii, of the inner and outer circular geometries that a vehicle is capable of turning within, the turning paths of various vehicles are calculated as standards used when designing roads, parking layouts.

Bicycle model for measuring turning radius. Car turning radius calculator

vehicle turning paths dimensions drawings dimensionscom on car turning radius calculator

All from your web browser, no cad platform or installation needed. The turning radius, or turning path, of a vehicle is the smallest circular turn that it can make.measuring the diameters, and commonly the radii, of the inner and outer circular geometries that a vehicle is capable of turning within, the turning paths of various vehicles are calculated as standards used when designing roads, parking layouts, loading, and public service areas. For 16:1, n = 16) r = radius of curva. The calculation is not precise because when a vehicle is cornering the perpendiculars through the centers of all wheels do not.

Higher radius = more stable, lower radius = more responsive, check out the blog write up for more details and the math that this is. Introduction this article describes the calculation of the turning radius of a car or bicycle. Hence, the radius of the circle traced by these wheels will give the turning radius of the vehicle. My profile my preferences my mates.

This radius depends on two things: About press copyright contact us creators advertise developers terms privacy policy & safety how youtube works test new features press copyright contact us creators. The turning radius is representative of the boards overall responsiveness. Vehicle is as shown in fig.

When a vehicle is cornering, each wheel describes a turning circle. The turning radius depends heavily on specifications of your vehicle like the vehicle size, the amount of axles, the steering and the wheelbase. 1 is a flowchart showing a turning radius calculation method according to an embodiment of this invention, fig. Break out your trig calculator, enter the degrees of steer angle and hit the sin key.

In the example, we wind up with 0.819. And calculate axle weights, maximum payload and turning radius as you go.

However, if you can not find picts and information that related with car turning radius calculator mentioned above, you can try to find in the following another such as Gate Width Calculation For Passenger Car Design Vehicle - Engineering Stack Exchange, Turning Radius, Auto Turn Tool, Vehicle Turning Circles - Athomesupernal, Vehicle Turning Paths Dimensions Drawings Dimensionscom, and Car Turning Radius Calculation - Page 1 - Homes Gardens And Diy - Pistonheads Uk. You can check our pictures gallery that related to car turning radius calculator below.

Car Turning Radius Calculator Photos Gallery

a front-wheel-steering vehicle and steer angles of the inner and outer download scientific diagram on car turning radius calculator

Thus, the larger the value of turning radius, bigger is the space you need for a vehicle to take a turn. R = a22 + l2cot2δ (4) 4.2 space required for turning the space required for turning is the space this about a front-wheel-steering vehicle and steer angles of the inner and outer download scientific diagram get from www.researchgate.net with 313 x 389 pixels dimensions image and png filetype.

More Info

turning radius on car turning radius calculator

Vehicle is as shown in fig. S = wheel base a = steering wheel angle n = steering ratio (e.g. Thus, the larger the value of turning radius, bigger is the space you need for a vehicle to take a next concerning turning radius originated from www.davdata.nl with 361 x 362 pixels dimensions picture and gif filetype.

More Info

2 on car turning radius calculator

About press copyright contact us creators advertise developers terms privacy policy & safety how youtube works test new features press copyright contact us creators. Turning radii the boundaries of the turning paths of the several design vehicles when making the this concerning 2 taken from with rgb(233,236,233) x NLqCur1QWQ1TXM pixels dimensions picture and jpg filetype.

More Info

what is the method to calculate turning radius if only the steering ratio and vehicles basic dimensions are known - quora on car turning radius calculator

A convenient way to assess turning space for designers, planners, architects or engineers. To simulate vehicle turning paths. Also we note that maximum value of sin is 1, no matter what w is. Based on brewnog's idea, i used some these over what is the method to calculate turning radius if only the steering ratio and vehicles basic dimensions are known - quora get from www.quora.com with 768 x 1366 pixels dimensions photo and jpg filetype.

More Info

cornerwin on car turning radius calculator

The turning radius, or turning path, of a vehicle is the smallest circular turn that it can make.measuring the diameters, and commonly the radii, of the inner and outer circular geometries that a vehicle is capable of turning within, the its concerning cornerwin originated from www.trailerwin.com with 421 x 536 pixels dimensions image and jpg filetype.

More Info

vehicle turning paths dimensions drawings dimensionscom on car turning radius calculator

And calculate axle weights, maximum payload and turning radius as you go. The turning radius is representative of the boards overall responsiveness. The turning radius depends heavily on specifications of your vehicle like the vehicle size, the amount of axles, its concerning vehicle turning paths dimensions drawings dimensionscom came from www.dimensions.com with 800 x 800 pixels dimensions picture and jpg filetype.

More Info

vehicle turning paths dimensions drawings dimensionscom on car turning radius calculator

Technically, a radius is half the diameter of a whole circle; Introduction this article describes the calculation of the turning radius of a car or bicycle. All from your web browser, no cad platform or installation needed. The turning radius next over vehicle turning paths dimensions drawings dimensionscom came from www.dimensions.com with 694 x 800 pixels dimensions picture and jpg filetype.

More Info

vehicle turning paths dimensions drawings dimensionscom on car turning radius calculator

Technically, a radius is half the diameter of a whole circle; Truck turning radius calculator | autocad space. The turning radius, or turning path, of a vehicle is the smallest circular turn that it can make.measuring the diameters, and commonly next concerning vehicle turning paths dimensions drawings dimensionscom came from www.dimensions.com with 694 x 800 pixels dimensions picture and jpg filetype.

More Info

gate width calculation for passenger car design vehicle - engineering stack exchange on car turning radius calculator

Turning radii the boundaries of the turning paths of the several design vehicles when making the sharpest turns are established by the outer trace of the front overhang and the path of the inner rear wheel. Hence the smallest turning next over gate width calculation for passenger car design vehicle - engineering stack exchange originated from engineering.stackexchange.com with 760 x 610 pixels dimensions image and png filetype.

More Info

vehicle turning radius calculation transoft solutions on car turning radius calculator

Vehicle is as shown in fig. Based on brewnog's idea, i used some geometry and the law of cosines to derive an *estimate* of the radius of curvature as a function of the steering wheel angle and wheel base. Bicycle here over vehicle turning radius calculation transoft solutions get from www.transoftsolutions.com with 379 x 605 pixels dimensions photo and jpg filetype.

More Info

truck turning radius calculator autocad space on car turning radius calculator

Vehicle is as shown in fig. A few simple steps to open a vehicle 1. For 16:1, n = 16) r = radius of curva. So our calculation confirms the intuition that a shorter car can move along a smaller there about truck turning radius calculator autocad space get from autocad.space with 1318 x 2736 pixels dimensions image and png filetype.

More Info

parking and turning radius archi-monarch on car turning radius calculator

Many countries have their own vehicle specifications so cars, trucks, busses, ambulances, fire trucks and other design vehicles you use when calculating the turning radius, should be very specific. All from your web browser, no cad platform or installation needed. following after parking and turning radius archi-monarch get from archi-monarch.com with 1233 x 1850 pixels dimensions image and jpg filetype.

More Info

auto turn tool on car turning radius calculator

For the example, the result is a turning radius of 305.25 inches, or about 25.43 feet. Vehicle turning circle design and engineering equations and calculators. The smaller the value of l, the smaller the turning radius. This radius depends on there about auto turn tool originated from www.seqair.com with 482 x 658 pixels dimensions photo and jpg filetype.

More Info

doc turning radius calculation alung padang - academiaedu on car turning radius calculator

In the case of an articulated combination it may be the front corner of the trailer instead that follows the outer radius depending on which is critical. Now, divide the wheelbase of the truck by your sin figure; Technically, a its about doc turning radius calculation alung padang - academiaedu originated from www.academia.edu with 842 x 595 pixels dimensions picture and png filetype.

More Info

2 on car turning radius calculator

In the case of an articulated combination it may be the front corner of the trailer instead that follows the outer radius depending on which is critical. The turning radius depends heavily on specifications of your vehicle like the vehicle here about 2 originated from with rgb(241,244,241) x xozT8Eyy8pCqXM pixels dimensions photo and jpg filetype.

More Info

car turning radius calculation - page 1 - homes gardens and diy - pistonheads uk on car turning radius calculator

Hence, the radius of the circle traced by these wheels will give the turning radius of the vehicle. So our calculation confirms the intuition that a shorter car can move along a smaller circle, and hence can make a sharper this over car turning radius calculation - page 1 - homes gardens and diy - pistonheads uk originated from www.pistonheads.com with 352 x 460 pixels dimensions picts and jpg filetype.

More Info

vehicle turning circle design equations and calculator engineering calculators on car turning radius calculator

One can probably find track width, front overhang, turning radii, and location of the center of the carrier (tongue, whatever). I know one can search for specific vehicle names in quotes, followed by a comma then the wheelbase. The outer its after vehicle turning circle design equations and calculator engineering calculators taken from www.engineersedge.com with 418 x 500 pixels dimensions image and png filetype.

More Info

autoinfome turning radius turning circle on car turning radius calculator

Introduction this article describes the calculation of the turning radius of a car or bicycle. To simulate vehicle turning paths. Break out your trig calculator, enter the degrees of steer angle and hit the sin key. 2 is a view its over autoinfome turning radius turning circle originated from autoinfome.blogspot.com with 316 x 549 pixels dimensions picture and jpg filetype.

More Info

turning radius of a car problems in general mathematics on car turning radius calculator

Turning radii the boundaries of the turning paths of the several design vehicles when making the sharpest turns are established by the outer trace of the front overhang and the path of the inner rear wheel. My profile my preferences there after turning radius of a car problems in general mathematics get from goodmaths.wordpress.com with 372 x 640 pixels dimensions image and jpg filetype.

More Info

vehicle turning circles - athomesupernal on car turning radius calculator

Hence, the radius of the circle traced by these wheels will give the turning radius of the vehicle. 3/2/2020 · the turning radius, or turning path, of a vehicle is the smallest circular turn that it can make.measuring the diameters, following concerning vehicle turning circles - athomesupernal get from athomesupernal.weebly.com with 271 x 336 pixels dimensions picture and jpg filetype.

More Info

Now its time for a conclusion Right!

Have you got all the opinion you need. Have you got any other ideas all but this car turning radius calculator. If you find this site convienient, please support us by sharing this posts to your own social media accounts like Facebook, Instagram, and so on or you can also save this blog page with the title car turning radius calculator by using Ctrl + D for devices like a laptop with a Windows operating system or Command + D for laptops with an Apple operating system. If you use a smartphone, you can also use the drawer menu of the browser you are using. Whether it's a Windows, Mac, iOS, or Android operating system, you will still be able to bookmark this website.

We appreciate your time for spending your time perusing this content. We hope, you have found it valuable and educational. Please feel free in pass along the content amongst your social circle and associates, and do not forget to subscribe for our newsletter for additional great pieces of writing like this.

You Might Like Our Random Post:

close